比较器按照结构划分可以分为开环运放架构比较器和动态锁存比较器两大类。开环运放架构比较器
可以通过设计运放的开环增益而达到很高的分辨率,但是比较速度却由于运放有限的带宽而常常受到限制。动态锁存比较器由于其基于正反馈网络的比较原理,一般具有较快的比较速度,但是动态锁存比较器的分辨率一般非常有限。而且,和开环运放架构的比较器相比较,动态锁存比较器的等效输入噪声和输入失调电压一般会比较高。
假设开环比较器的增益、-3dB 带宽、建立时常数分别为Ai、ωi和,则,延时可以表示为:
即,带宽越宽,开环比较器的延时越少,用表示单位增益带宽积,则比较器延时可以表示为:
这就是为什么一般比较器由多个高带宽,小增益的开环运放级联而成。
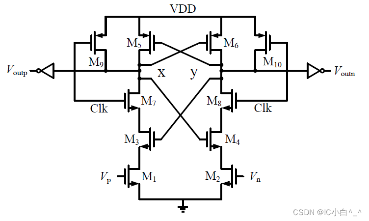
动态比较器由于在比较阶段之外管子全部关闭,因此有较低的静态功耗,有利于低功耗设计。

当处于比较阶段,锁存器依据正反馈原理充放电,此时,电路可以等效为下图:

设两个运放的跨导、输出阻抗和负载电容都相等,可以得到:

定义运放的增益为 A=gmRout,运放输出端电压建立的时常数为τ=CLRout,得到Vx和Vy之间的电压差 :

ΔV 的解为:
由上式可以看出,由于进入锁存模式下的正反馈机制,动态锁存比较器的输出端电压差随时间呈正指数增长的趋势 ,这也是为什么动态锁存器速度快的原因。
我有一个围绕一些对象的包装类,我想将这些对象用作散列中的键。包装对象和解包装对象应映射到相同的键。一个简单的例子是这样的:classAattr_reader:xdefinitialize(inner)@inner=innerenddefx;@inner.x;enddef==(other)@inner.x==other.xendenda=A.new(o)#oisjustanyobjectthatallowso.xb=A.new(o)h={a=>5}ph[a]#5ph[b]#nil,shouldbe5ph[o]#nil,shouldbe5我试过==、===、eq?并散列所有无济于事。
是的,我知道最好使用webmock,但我想知道如何在RSpec中模拟此方法:defmethod_to_testurl=URI.parseurireq=Net::HTTP::Post.newurl.pathres=Net::HTTP.start(url.host,url.port)do|http|http.requestreq,foo:1endresend这是RSpec:let(:uri){'http://example.com'}specify'HTTPcall'dohttp=mock:httpNet::HTTP.stub!(:start).and_yieldhttphttp.shou
目录前言滤波电路科普主要分类实际情况单位的概念常用评价参数函数型滤波器简单分析滤波电路构成低通滤波器RC低通滤波器RL低通滤波器高通滤波器RC高通滤波器RL高通滤波器部分摘自《LC滤波器设计与制作》,侵权删。前言最近需要学习放大电路和滤波电路,但是由于只在之前做音乐频谱分析仪的时候简单了解过一点点运放,所以也是相当从零开始学习了。滤波电路科普主要分类滤波器:主要是从不同频率的成分中提取出特定频率的信号。有源滤波器:由RC元件与运算放大器组成的滤波器。可滤除某一次或多次谐波,最普通易于采用的无源滤波器结构是将电感与电容串联,可对主要次谐波(3、5、7)构成低阻抗旁路。无源滤波器:无源滤波器,又称
最近在学习CAN,记录一下,也供大家参考交流。推荐几个我觉得很好的CAN学习,本文也是在看了他们的好文之后做的笔记首先是瑞萨的CAN入门,真的通透;秀!靠这篇我竟然2天理解了CAN协议!实战STM32F4CAN!原文链接:https://blog.csdn.net/XiaoXiaoPengBo/article/details/116206252CAN详解(小白教程)原文链接:https://blog.csdn.net/xwwwj/article/details/105372234一篇易懂的CAN通讯协议指南1一篇易懂的CAN通讯协议指南1-知乎(zhihu.com)视频推荐CAN总线个人知识总
深度学习部署:Windows安装pycocotools报错解决方法1.pycocotools库的简介2.pycocotools安装的坑3.解决办法更多Ai资讯:公主号AiCharm本系列是作者在跑一些深度学习实例时,遇到的各种各样的问题及解决办法,希望能够帮助到大家。ERROR:Commanderroredoutwithexitstatus1:'D:\Anaconda3\python.exe'-u-c'importsys,setuptools,tokenize;sys.argv[0]='"'"'C:\\Users\\46653\\AppData\\Local\\Temp\\pip-instal
假设我在Store的模型中有这个非常简单的方法:defgeocode_addressloc=Store.geocode(address)self.lat=loc.latself.lng=loc.lngend如果我想编写一些不受地理编码服务影响的测试脚本,这些脚本可能已关闭、有限制或取决于我的互联网连接,我该如何模拟地理编码服务?如果我可以将地理编码对象传递到该方法中,那将很容易,但我不知道在这种情况下该怎么做。谢谢!特里斯坦 最佳答案 使用内置模拟和stub的rspecs,你可以做这样的事情:setupdo@subject=MyCl
我完全不是程序员,正在学习使用Ruby和Rails框架进行编程。我目前正在使用Ruby1.8.7和Rails3.0.3,但我想知道我是否应该升级到Ruby1.9,因为我真的没有任何升级的“遗留”成本。缺点是什么?我是否会遇到与普通gem的兼容性问题,或者甚至其他我不太了解甚至无法预料的问题? 最佳答案 你应该升级。不要坚持从1.8.7开始。如果您发现不支持1.9.2的gem,请避免使用它们(因为它们很可能不被维护)。如果您对gem是否兼容1.9.2有任何疑问,您可以在以下位置查看:http://www.railsplugins.or
在ruby中,你可以这样做:classThingpublicdeff1puts"f1"endprivatedeff2puts"f2"endpublicdeff3puts"f3"endprivatedeff4puts"f4"endend现在f1和f3是公共(public)的,f2和f4是私有(private)的。内部发生了什么,允许您调用一个类方法,然后更改方法定义?我怎样才能实现相同的功能(表面上是创建我自己的java之类的注释)例如...classThingfundeff1puts"hey"endnotfundeff2puts"hey"endendfun和notfun将更改以下函数定
我有一个gem,它有一个根据Rails.env的不同行为的方法:defself.envifdefined?(Rails)Rails.envelsif...现在我想编写一个规范来测试这个代码路径。目前我是这样做的:Kernel.const_set(:Rails,nil)Rails.should_receive(:env).and_return('production')...没关系,只是感觉很丑。另一种方法是在spec_helper中声明:moduleRails;end而且效果也很好。但也许有更好的方法?理想情况下,这应该有效:rails=double('Rails')rails.sho
方法应返回-1,0或1分别表示“小于”、“等于”和“大于”。对于某些类型的可排序对象,通常将排序顺序基于多个属性。以下是可行的,但我认为它看起来很笨拙:classLeagueStatsattr_accessor:points,:goal_diffdefinitializepts,gd@points=pts@goal_diff=gdenddefothercompare_pts=pointsother.pointsreturncompare_ptsunlesscompare_pts==0goal_diffother.goal_diffendend尝试一下:[LeagueStats.new(